製品概要
製品概要
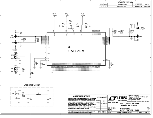
Demonstration circuit 1696 is a 36V, 5A, CVCC step-down μModule regulator featuring the LTM8026. The demo circuit is designed for a 3.3V output from an input voltage range of 6V to 36V. The output can source 5A. The circuit can be operated in either constant voltage mode or constant current mode.
対象となる製品
関連資料
-
DC1696A - Schematic2012/02/21PDF77K
-
DC1696A - Demo Manual2012/02/21PDF237K
-
DC1696A - Design Files2012/02/21ZIP2M




