製品概要
製品概要
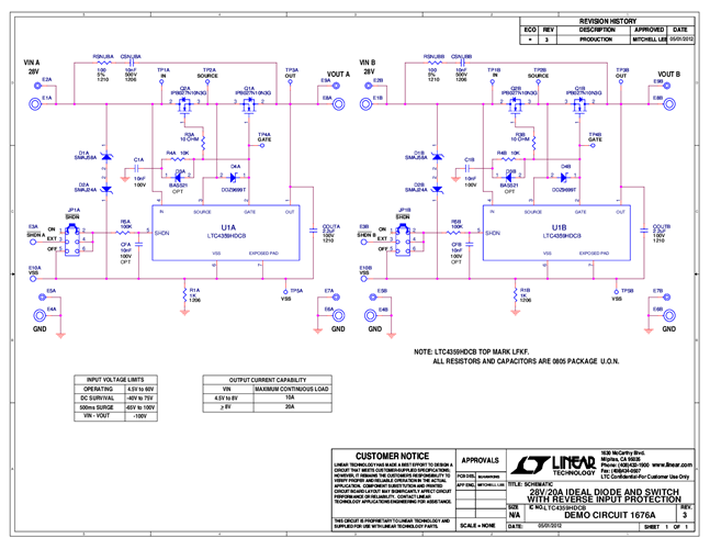
DC1676A: Demo Board for LTC4359 Ideal Diode Controller with Reverse Input Protection.
関連資料
-
DC1676A - Schematic2013/03/25PDF56K
-
DC1676A - Demo Manual2013/03/25PDF514K
-
DC1676A - Design Files2013/03/25ZIP1M




