製品概要
製品概要
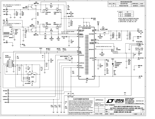
Demonstration Circuit 1674A-A is dual input power manager/3.5A Li-Ion battery charger with I2C control and USB On-The-Go (OTG). The dual input multiplexer, overvoltage protection (OVP) and reverse voltage protection (RVP) is implemented with external N-channel MOSFETs. An onboard buck regulator generates the VOUT voltage from the active input voltage. This voltage is regulated to minimize the dissipation in the battery charger. The minimum voltage of the VOUT regulator is 3.5V to provide an instant-on function when the battery is fully discharged. Most functions on the LTC4155EUFD are controlled via the I2C serial interface. The LTC4155EUFD also provides extensive status information via the I2C serial interface.
対象となる製品
関連資料
-
DC1674A - Schematic2011/12/14PDF76K
-
DC1674A-A - Demo Manual2014/12/17PDF975K
-
DC1674A - Design Files2011/08/05ZIP1M
