製品概要
製品概要
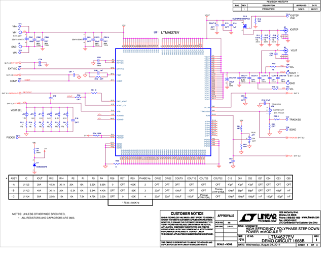
Demonstration circuit 1668B-C is a PolyPhase® power supply featuring four LTM4627 high efficiency synchronous buck μModule® regulators. The DC1668B-C input voltage range is between 4.5V to 20V with a jumper programmable output voltage from 0.6V to 3.3V. The demo circuit can deliver up to 50A of load with excellent current-sharing. Current derating may be necessary under certain operating conditions.
対象となる製品
関連資料
-
DC1668B - Schematic2012/05/03PDF113K
-
DC1668B-C - Demo Manual2013/02/15PDF575K
-
DC1668B - Design Files2011/12/15ZIP4M
