製品概要
製品概要
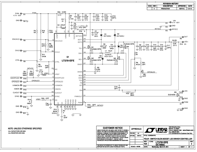
Demonstration circuit DC1666A is a synchronous four-switch buck-boost LED driver controller. It accepts an input voltage from 4.7V to 60V, and drives up to 25V of LEDs at 2A. DC1666A features both PWM and analog dimming of the LED string. It has an OPENLED flag that indicates when the LED string has been removed and it has a SHORTLED flag that indicates that the output has been shorted to GND. In both cases, the IC remains in control and well protected.
対象となる製品
関連資料
-
DC1666A - Schematic2012/04/03PDF56K
-
DC1666A - Demo Manual2012/04/02PDF305K
-
DC1666A - Design Files2012/04/03ZIP836K




