製品概要
製品概要
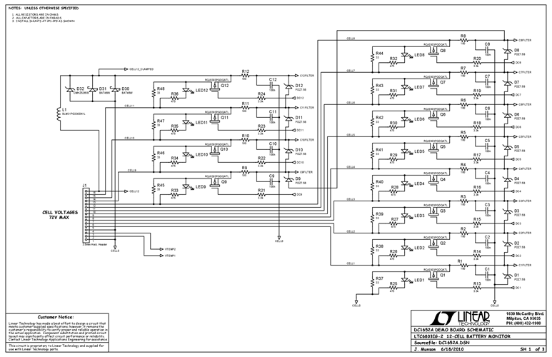
DC1652A: Demo Board for LTC6803-2 and -4 Multicell Battery Stack Monitor.
対象となる製品
関連資料
-
DC1652A - Schematic2011/12/15PDF117K
-
DC1652A - Demo Manual2012/10/31PDF0M
-
DC1652A - Design Files2011/07/27ZIP1M




