製品概要
製品概要
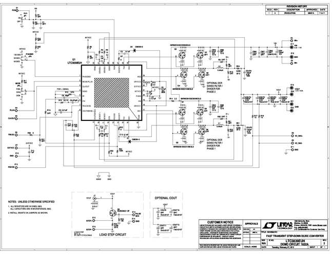
Demonstration circuit 1632A is a single output 1.5V/40A dual phase synchronous buck converter operating with a switching frequency of 300kHz over an input voltage range of 4.5V to 14V. The controlled on-time valley current mode architecture of the LTC3839 allows for a fast load step response.
対象となる製品
関連資料
-
DC1632A - Schematic2012/03/12PDF79K
-
DC1632A - Demo Manual2012/03/12PDF231K
-
DC1632A - Design Files2012/03/12ZIP1M
