製品概要
製品概要
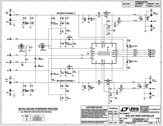
DC1627A-A: Demo Board for the LTC4226 Wide Operating Range Dual Hot Swap Controller.
対象となる製品
関連資料
-
Hot Swap Controllers2023/08/02PDF0 M
-
DC1627A - Schematic2013/08/15PDF65K
-
DC1627A - Demo Manual2013/08/14PDF440K
-
DC1627A - Design Files2013/08/15ZIP1M
