製品概要
製品概要
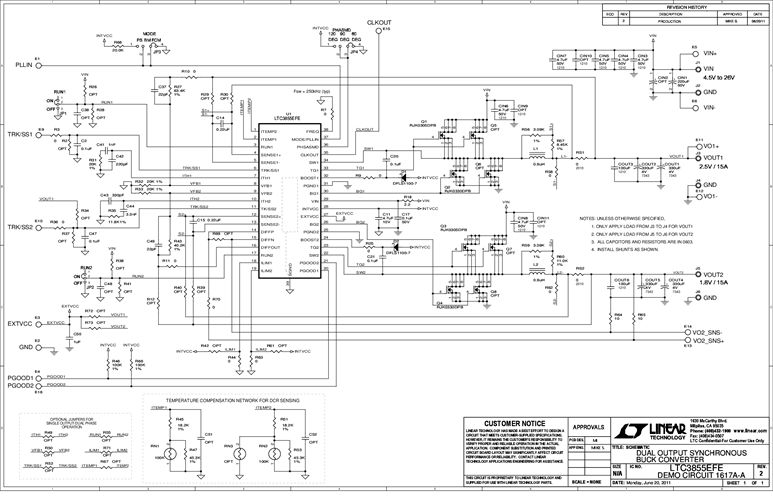
Demonstration circuit DC1617A is a dual output synchronous buck converter featuring the LTC3855EFE in a high density, two sided drop-in layout with power components on the top and the control circuit on the bottom. The package style for the LTC3855EFE is a 38-lead TSSOP. The board comes in two assembly types. The –B assembly is a high power, 12V/6A and 5V/10A converter with a 13V to 36V input. A sense resistor is used to provide a precise current limit. Unlike the –A assembly, on the –B assembly the remote sense diff amp is bypassed since VOUT2 is > 3.3V.
対象となる製品
関連資料
-
DC1617A - Schematic2011/12/14PDF181K
-
DC1617A - Demo Manual2011/12/02PDF307K
-
DC1617A - Design Files2011/12/02ZIP4M
