製品概要
製品概要
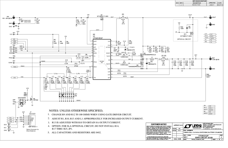
Demonstration circuit 1614 features the LTC4012CUF, a multi-chemistry single battery charger controller with PowerPath™ control. The input supply voltage is 13.5V to 20V and is initially configured for a current limit of 10A. The charger float voltage is programmed by jumpers to support 1- to 4- series cells of both Li-Ion/Polymer and Li-iron phosphate (LiFePO4) at 4.2V/cell and 3.6V/cell, for a total of eight settings. The demo board is initially configured for constant-voltage charging of a 12.6V Li-Ion/ Polymer battery and constant-current charging at 8A, though current derating may be necessary due to certain operating conditions.
対象となる製品
関連資料
-
DC1614A - Schematic2012/02/28PDF117K
-
DC1614A - Demo Manual2011/07/28PDF324K
-
DC1614A - Design Files2011/07/28ZIP2M





