製品概要
製品概要
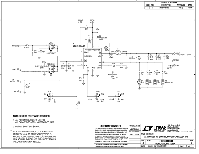
Demonstration circuit 1610 is a step-down converter, using the LTC3604 monolithic synchronous buck regulator in the 3 × 3 QFN-16 package. The DC1610A has a maximum input voltage 15V, and is capable of delivering up to 2.5A of output current at a minimum input voltage of 3.6V. The output voltage of the DC1610A can be set as low as 0.6V, the reference voltage of the LTC3604.
対象となる製品
関連資料
-
DC1610A - Schematic2012/03/28PDF47K
-
DC1610A - Demo Board2010/03/12PDF935K
-
DC1610A - Design Files2010/03/12ZIP829K
