製品概要
製品概要
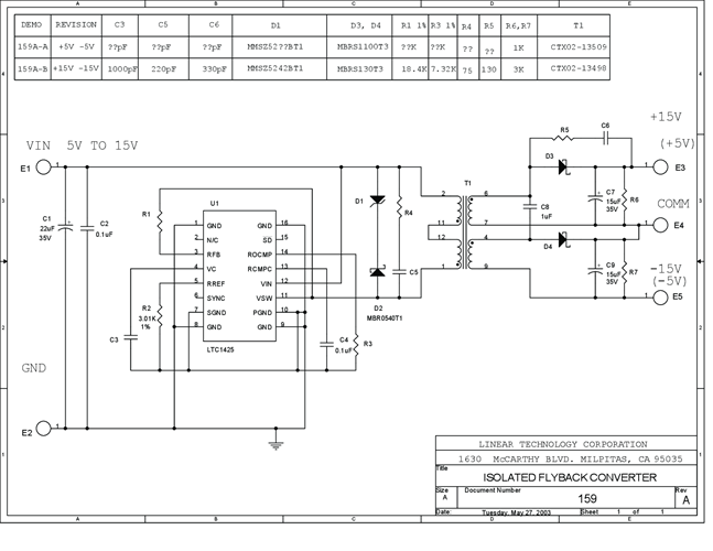
DC159A-A: Demo Board for the LT1425 Isolated Flyback Switching Regulators.
対象となる製品
関連資料
- 
                                                                
                                                                    
                                                                                                                                            DC159A - Schematic2009/09/24PDF78K
- 
                                                                
                                                                    
                                                                                                                                            DC159A - Design File2009/09/24ZIP77K
 
                             
                         
                         
                                                