製品概要
製品概要
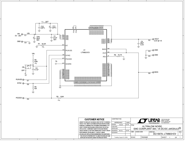
Demonstration circuit DC1597A features the LTM8031, a step-down converter certified to meet the EN55022 radiated emissions standard. The LTM8031 is configured to deliver a 3.3V output from a 5V to 36V input with a 750kHz operating frequency. The wide input range supports a variety of input sources, such as automotive batteries, wall adaptors and industrial supplies. Under light load conditions, the LTM8031 enters Burst Mode® operation to deliver high efficiency over a broad current range and maintain low output ripple.
関連資料
-
DC1597A - Schematic2012/05/02PDF32K
-
DC1597A - Demo Manual2011/01/24PDF967K
-
DC1597A - Design Files2009/11/13ZIP676K




