製品概要
製品概要
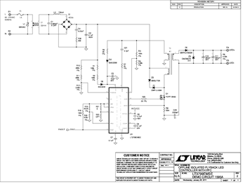
DC1595A: Demo Board for the LT3799 Offline Isolated Flyback LED Controller with Active PFC.
対象となる製品
関連資料
-
DC1595A - Schematic2012/05/02PDF63K
-
DC1595A - Demo Manual2011/11/08PDF155K
-
DC1595A - Design Files2011/11/07ZIP2M




