製品概要
製品概要
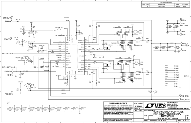
Demonstration circuit 1580A is a high efficiency, polyphase, synchronous buck converter with a 4.5V to 14V input range. It can supply 50A maximum load current at 1.5V output. The demo board uses the LTC3856EUH controller. The LTC3856 is a feature-rich single-output dual-phase synchronous buck controller with on-chip drivers and remote differential output voltage sensing. This board is setup with sense resistor configuration with optional inductor DCR sensing circuit.
対象となる製品
関連資料
-
DC1580A - Schematic2012/05/03PDF99K
-
DC1580A - Demo Manual2010/07/23PDF241K
-
DC1580A - Design Files2010/07/23ZIP3M
