製品概要
製品概要
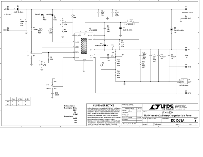
Demonstration circuit 1568A is a 2A monolithic multichemistry battery charger for solar power applications featuring the LT3652EDD. The LT3652 is a complete mid-power Li-Ion battery charger that can operate over a wide input voltage range. The charger employs a 3.3V float voltage feedback reference that allows the battery float voltage to be adjusted up to 14.4V.
The LT3652 has an input voltage regulation loop which reduces charge current if the input falls below a programmed level, set with a resistor divider. The circuit provides CC/CV charging with a 2A maximum charge current that is programmed by a sense resistor.
対象となる製品
関連資料
-
DC1568A - Schematic2013/05/21PDF82K
-
DC1568A - Demo Manual2013/03/29PDF232K
-
DC1568A - Design Files2013/05/21ZIP741K





