製品概要
製品概要
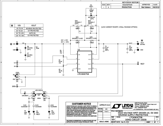
DC1555B: Demo Board for the LTC4365 Overvoltage, Undervoltage and Reverse Supply Protection Controller.
マーケット&テクノロジー
対象となる製品
関連資料
-
DC1555B - Schematic2013/04/22PDF57K
-
DC1555B - Demo Manual2013/08/15PDF325K
-
DC1555B - Design Files2013/04/22ZIP2M




