製品概要
製品概要
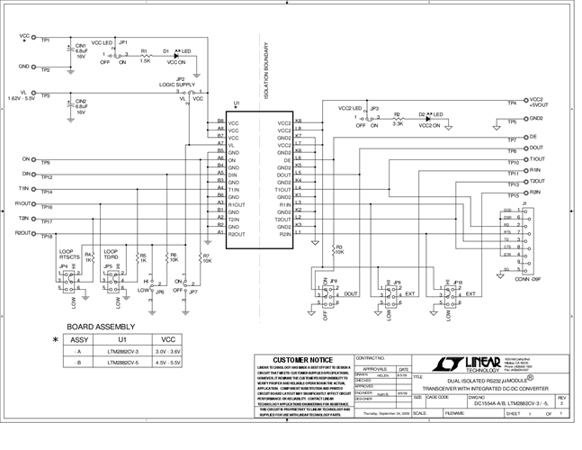
DC1554A-A: Demo Board for the LTM2882 Dual Isolated RS232 µModule Transceiver + Power.
対象となる製品
関連資料
-
DC1554 - Schematic2010/10/27PDF46K
-
DC1554A - Demo Manual2010/06/04PDF240K
-
DC1554A - Design Files2010/10/27ZIP621K





