製品概要
製品概要
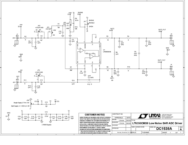
DC1538A: Demo Board for LT6350 Low Noise Single-Ended to Differential Converter/ADC Driver.
対象となる製品
関連資料
-
DC1538A - Schematic2010/03/04PDF78K
-
DC1538A - Demo Manual2010/03/04PDF326K
-
DC1538A - Design Files2010/03/04ZIP710K



