製品概要
製品概要
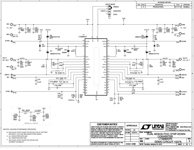
The demo circuit 1537A is a dual current mode PWM step-down DC/DC converter featuring LT3992. The demo circuit is designed for 5V and 3.3V outputs from a 7V to 60V input. The current capability of each channel is up to 3A when running individually and 2A when both are sourcing the same current without special heat sinking. Individual soft-start, current limit, comparator, input voltage for each output as well as frequency division and synchronous and clock output functions simplify the complex design of dual-output power converters.
対象となる製品
関連資料
-
DC1537A - Schematic2012/05/02PDF66K
-
DC1537A - Demo Manual2012/05/02PDF220K
-
DC1537A - Design Files2012/05/02ZIP1M
