製品概要
製品概要
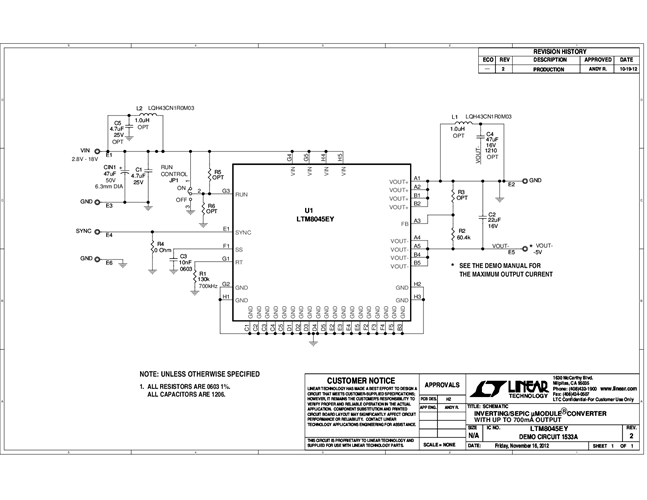
Demo circuit DC1533A features the LTM8045, an inverting/SEPIC μModule converter delivering up to 700mA of output current. DC1533A is configured as an inverting converter, but can be easily changed to a SEPIC configuration for non-inverting step-up or step-down functionality. The user adjustable features of the LTM8045 such as output voltage, switching frequency, soft-start period and undervoltage lockout can be changed on DC1533A simply by modifying or installing the appropriate resistors or capacitor.
関連資料
-
DC1533A - Schematic2013/02/05PDF45K
-
DC1533A - Demo Manual2013/02/05PDF234K
-
DC1533A - Design Files2013/02/05ZIP671K




