製品概要
製品概要
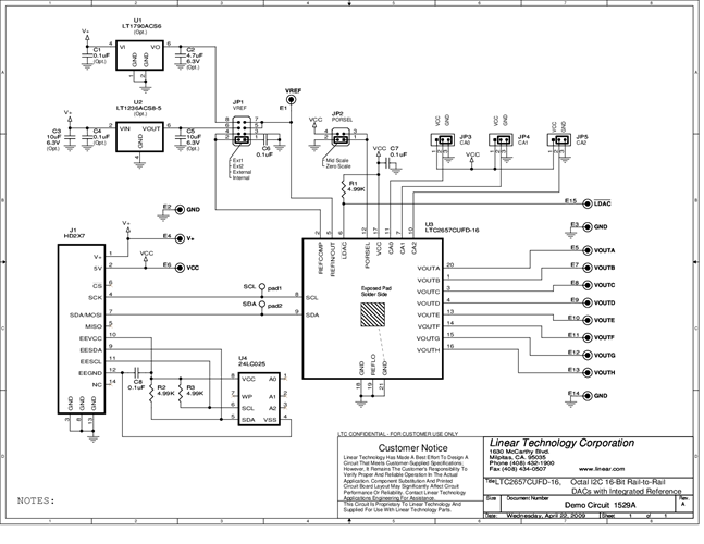
Demonstration circuit 1529A features the LTC2657 Octal 16-bit DAC with ±4LSB INL error. This device establishes a new board-density benchmark for 16-bit DACs and advances performance standards for output drive, crosstalk and load regulation in single supply, voltage-output multiple DACs.
対象となる製品
関連資料
- 
                                                                
                                                                    
                                                                                                                                            DC1529A - Schematic2012/05/04PDF30K
- 
                                                                
                                                                    
                                                                                                                                            DC1529A - Demo Manual2013/10/30PDF255K
- 
                                                                
                                                                    
                                                                                                                                            DC1529A - Design Files2012/05/04ZIP690K
 
                             
                         
                         
                                                