製品概要
製品概要
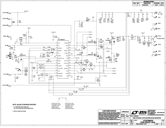
Demonstration circuit 1523A features the LTC3789EGN, a high efficiency switching step-up/down controller. The DC1523A input range is from 5V to 36V. The output voltage is 12V. The board is capable of delivering up to 5A of output current over the input voltage range. The LTC3789EGN is a high performance switching regulator controller designed to regulate the output using input voltages above, below or equal to the output voltage.
Synchronous operation provides very high efficiency, up to 97%. Constant frequency current mode architecture allows phase-lockable frequency from 200kHz to 600kHz. An accurate output current limit provides support for battery charging.
対象となる製品
関連資料
-
DC1523A - Schematic2010/12/10PDF82K
-
DC1523A - Demo Manual2010/12/10PDF462K
-
DC1523A - Design Files2010/12/10ZIP1M




