製品概要
製品概要
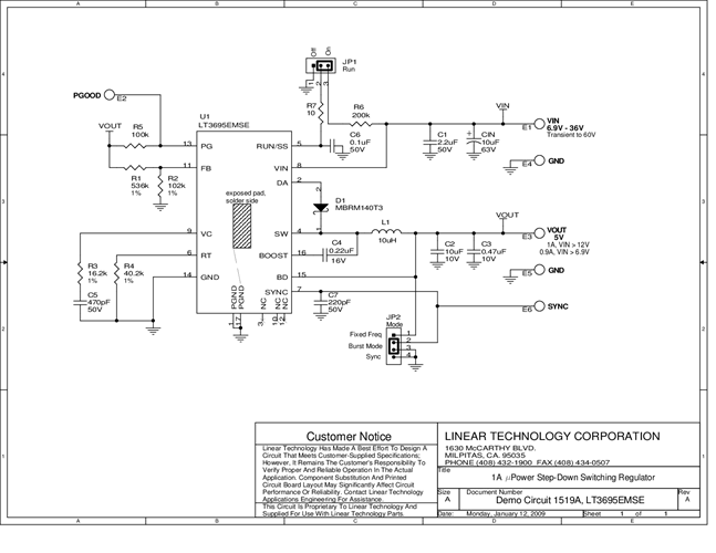
Demonstration circuit 1591A is a monolithic step-down switching regulator featuring the LT3695EMSE. The demo board is designed for 5V/1A output from a 6.9V to 36V input, with transients up to 60V. The LT3695 tolerates adjacent pin shorts or an open pin without raising the output voltage above its programmed value.
対象となる製品
関連資料
-
DC1519A - Schematic2009/11/04PDF24K
-
DC1519A - Demo Manual2009/11/04PDF1M
-
DC1519A - Design Files2009/11/04ZIP1M
