製品概要
製品概要
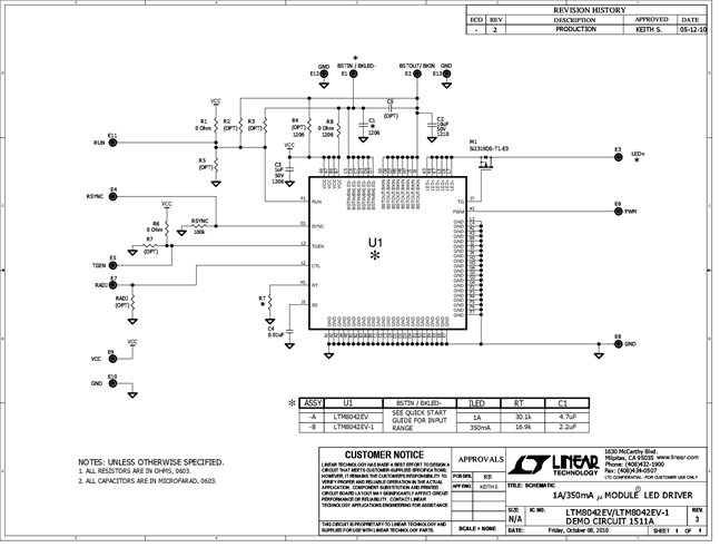
Demonstration circuits 1511A-B features the LTM8042-1, which is a complete 350mA µModule LED driver. The demonstration circuit is configured using the boost topology, accepting an input voltage from 3V to 30V and supporting an output up to 32V. The default switching frequency is 950kHz for the DC1511A-B, but can be adjusted by changing the value of the RT resistor. DC1511A is easily configured to support other features, including PWM dimming and analog dimming; It also supports buck-boost mode and buck mode (step-down) topologies.
関連資料
- 
                                                                
                                                                    
                                                                                                                                            DC1511A - Schematic2010/10/22PDF69K
- 
                                                                
                                                                    
                                                                                                                                            DC1511A - Demo Manual2010/10/22PDF0M
- 
                                                                
                                                                    
                                                                                                                                            DC1511A - Design Files2010/10/22ZIP1M
 
                             
                         
                         
                                                 
                                                 
                                                 
                                                 
                                                



