製品概要
製品概要
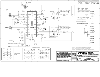
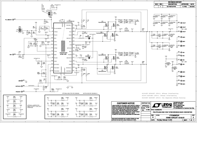
Demonstration circuit 1510A is a high output voltage, high efficiency synchronous poly-phase buck converter featuring the LTC3858EUH. The demo circuit is available in two versions. The input voltage of both versions is 16V to 26V. DC1510A-A is configured using 2 LTC3858's with 4 phase interleaving operation which provides a 12V/50A output, while the DC1510A-B is configured with 1 LTC3858 with 2 phase inter-leaving operation which provides a 12V/25A output.
対象となる製品
関連資料
-
DC1510A-B - Schematic2010/08/26PDF110K
-
DC1510A - Demo Manual2010/08/26PDF1M
-
DC1510A - Design Files2010/08/26ZIP1M
