製品概要
製品概要
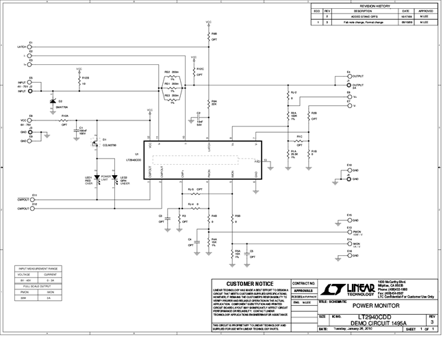
DC1495A: Demo Board for the LT2940 Power and Current Monitor.
対象となる製品
関連資料
-
DC1495A - Schematic2010/03/01PDF65K
-
DC1495A - Demo Manual2010/02/22PDF117K
-
DC1495A - Design Files2010/03/01ZIP11M




