製品概要
製品概要
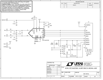
DC1492A: Demo Board for the LTC2462 Ultra-Tiny, 16-Bit ΔΣ ADCs with 10ppm/°C Max Precision Reference.
対象となる製品
関連資料
-
DC1492A - Schematic2009/09/24PDF26K
-
DC1492A - Demo Manual2009/09/24PDF117K
-
DC1492A - Design File2009/09/24ZIP2M
