製品概要
製品概要
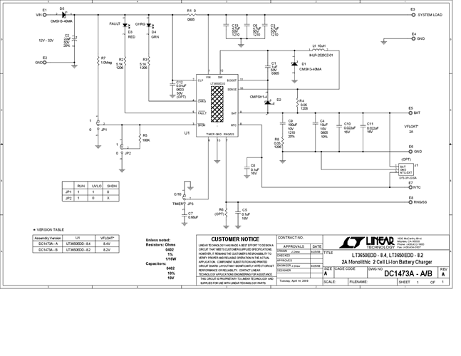
DC1473A-B:LT3650-8.X高電圧2Aモノリシック2セル・リチウムイオン・バッテリ・チャージャ用デモ・ボード
対象となる製品
関連資料
-
DC1473A - Schematic2009/09/24PDF82K
-
DC1473A - Demo Manual2009/09/24PDF397K
-
DC1473A - Design File2009/09/24ZIP625K




