製品概要
製品概要
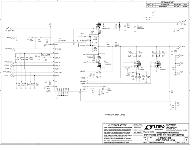
Demonstration circuit 1470 is a High Current Synchronous Step-Down LED Driver with Three-State Control featuring the LT3743EUFD. The demo board is optimized for 20A output from a 12V input. Being an LED driver, the output current is regulated until the output voltage reaches a programmed voltage limit. The voltage limit on this demo board is set to around 6V by resistors R5 and R6. The 6V is chosen because of the 6.3V voltage rating of the output capacitors.
The ideal load to be used with this demo board is a single LED, such as PT120 from Luminus Devices. The input voltage range of the LT3743 is 6V to 36V; however, the demo board utilizes 30V MOSFETs to demonstrate best efficiency, so the maximum recommended input voltage is 24V for the demo board.
関連資料
-
DC1470A - Schematic2016/08/16PDF36K
-
DC1470A - Demo Manual2015/09/16PDF273K
-
DC1470A - Design Files2016/08/16ZIP1M




