製品概要
製品概要
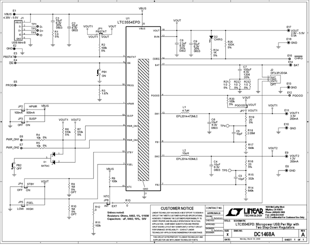
Demonstration Circuit DC1468A is a Micropower USB Power Manager with Li-Ion Charger and Two Synchronous Buck DC/DC Regulators, featuring the LTC3554. It features a USB input, a 500mA CC/CV Li-Ion linear charger, a dual synchronous buck (3.3V @ 200mA and 1.2V @ 200mA) and a push-button controller. Designed specifically for USB applications, the LTC3553 power manager automatically limits input current to a maximum of either 100mA or 500mA. Battery charge current is automatically reduced such that the sum of the load current and the charge current does not exceed the selected input current limit.
関連資料
-
DC1468A - Schematic2009/09/24PDF89K
-
DC1468A - Demo Manual2009/09/24PDF560K
-
DC1468A - Design File2009/09/24ZIP894K
