製品概要
製品概要
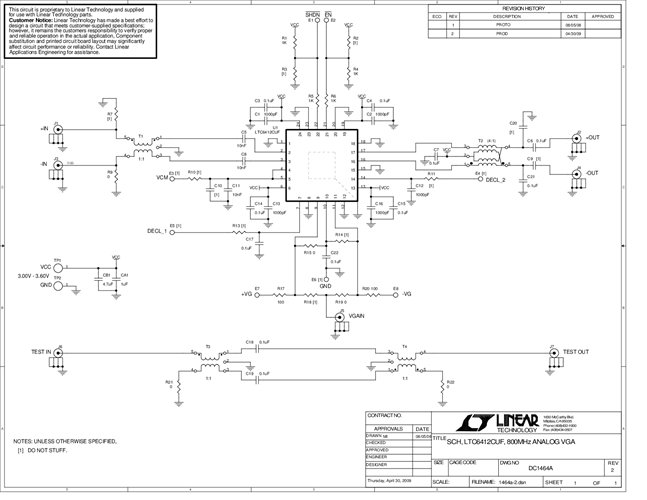
DC1464A: Demo Board for the LTC6412 800MHz, 31dB Range Analog-Controlled VGA.
対象となる製品
関連資料
-
DC1464A - Schematic2009/09/24PDF33K
-
DC1464A - Demo Manual2009/09/24PDF879K
-
DC1464A - Design File2009/09/24ZIP4M
