製品概要
製品概要
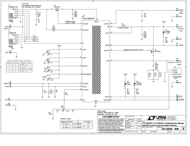
DC1463A-A: Demo Board for the LTC4160 Switching Power Manager with USB On-The-Go And Overvoltage Protection.
対象となる製品
関連資料
-
DC1463A - Schematic2009/09/24PDF101K
-
DC1463A - Demo Manual2009/09/24PDF814K
-
DC1463A - Design File2009/09/24ZIP781K
