製品概要
製品概要
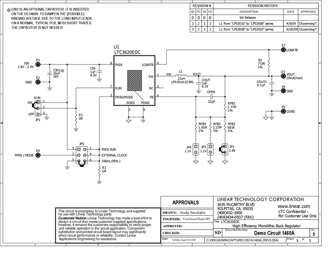
Demonstration circuit 1460A is a high efficiency step-down converter featuring the LTC3620EDC. Its input voltage ranges from 2.9V to 5.5V, and it provides up to 15mA of load current at a jumper-selectable output voltages of 1.1V, 1.2V or 1.8V.
対象となる製品
関連資料
-
DC1460A - Schematic2009/10/21PDF80K
-
DC1460A - Demo Manual2009/10/21PDF1M
-
DC1460A - Design Files2009/10/21ZIP3M
