製品概要
製品概要
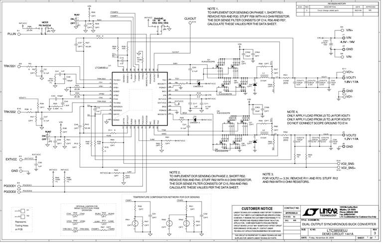
Demonstration circuit DC1441A is a dual output synchronous buck converter featuring the LTC3855EUJ. The board provides two outputs of 1.8V/17A and 1.2V/17A from an input voltage of 4.5V to 14V at a switching frequency of 400kHz.
対象となる製品
関連資料
-
DC1441A - Schematic2010/01/13PDF77K
-
DC1441A - Demo Manual2010/01/13PDF234K
-
DC1441A - Design Files2010/01/13ZIP4M
