製品概要
製品概要
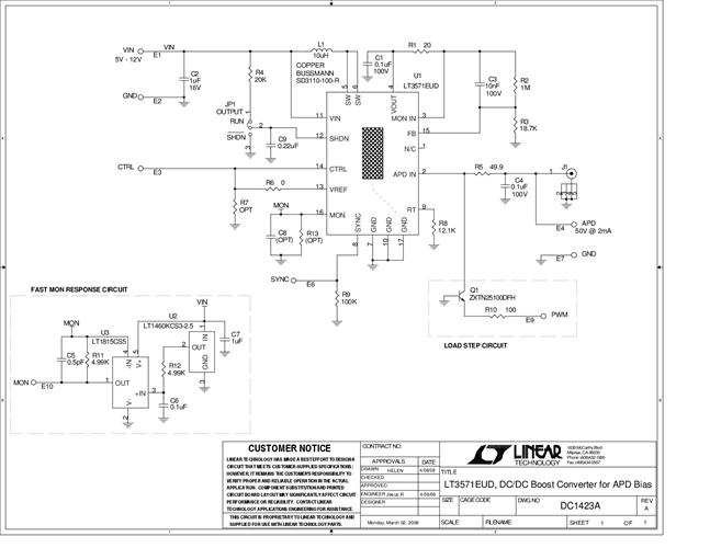
DC1423A: Demo Board for the LT3571 75V DC/DC Converter for APD Bias.
対象となる製品
関連資料
- 
                                                                
                                                                    
                                                                                                                                            DC1423A - Schematic2009/09/24PDF32K
- 
                                                                
                                                                    
                                                                                                                                            DC1423A - Demo Manual2009/09/24PDF253K
- 
                                                                
                                                                    
                                                                                                                                            DC1423A - Design File2009/09/24ZIP624K
 
                             
                         
                         
                                                 
                                                 
                                                 
                                                 
                                                



