製品概要
製品概要
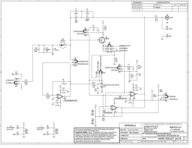
DC1417A: Demo Board for the LT6230 215MHz, Rail-to-Rail Output, 1.1nV√Hz, 3.5mA Op Amp Family.
対象となる製品
関連資料
-
DC1417A - Schematic2009/12/29PDF80K
-
DC1417A - Demo Manual2009/12/29PDF254K
-
DC1417A - Design Files2009/12/29ZIP1M
