製品概要
製品概要
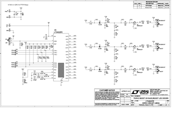
Demonstration circuit 1405 is a Triple Boost or Buck/Boost LED Driver featuring the LT3492. The LT3492 is a triple output DC/DC converter designed to operate as current sources for driving LEDs using . Each of the three regulators on the demo board is independently operated. The board can be configured with either boost (default) or buck-boost mode; buck mode is not supported. The current for each output is 61mA in either mode.
The IC's input voltage range is 8V to 30V with 40V transient protection; however the LEDs input power source can be as high as 40V. The overvoltage protection (open LED detect) is set at 58V. For a typical application with a LED voltage of 3.6V, each boost circuit can drive around 15 LEDs. Applications with different input voltages and load combinations can be demonstrated on this circuit with some board modifications.
対象となる製品
関連資料
-
DC1405A - Schematic2010/03/12PDF99K
-
DC1405A - Demo Manual2010/03/12PDF341K
-
DC1405A - Design Files2010/03/12ZIP2M
