製品概要
製品概要
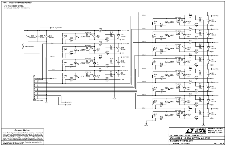
DC1393B: Demo Board for LTC6802-2 Multicell Addressable Battery Stack Monitor
対象となる製品
関連資料
-
DC1393B - Schematic2010/01/12PDF120K
-
DC1393B - Demo Manual2010/01/12PDF1M
-
DC1393B - Design Files2010/01/12ZIP906K




