製品概要
製品概要
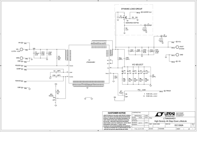
Demonstration circuit 1392A features the LTM4604AEV, the high efficiency, high density switch mode step-down μModule® regulator. The input voltage range is from 2.375V to 5.5V with a jumper selectable output voltage from 0.8V to 3.3V. The rated load current is 4A, while derating is necessary for certain VIN, VOUT and thermal conditions. By using the TRACK pin, the output can be set to coincidentally or ratiometrically track to another voltage rail.
対象となる製品
関連資料
-
DC1392A - Schematic2009/09/24PDF37K
-
DC1392A - Demo Manual2011/06/01PDF1M
-
DC1392A - Design File2009/09/24ZIP824K
