製品概要
製品概要
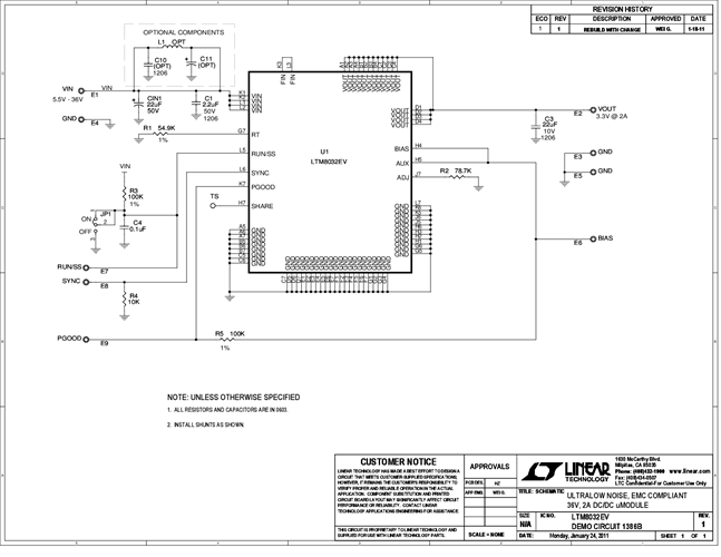
Demonstration circuit 1386 features the LTM8032, a 2A EN55022 Class B certified step-down converter. This μModule® regulator is configured to deliver a 3.3V output from an input voltage between 5.5V to 36V at a switching frequency of 600kHz. The wide input range of the LTM8032 allows a variety of input sources. Under light load conditions, the available Burst Mode® operation supports high efficiency with low output ripple.
関連資料
-
DC1386B - Schematic2011/04/22PDF45K
-
DC1386B - Demo Manual2011/04/22PDF798K
-
DC1386B - Design Files2011/04/22ZIP669K




