製品概要
製品概要
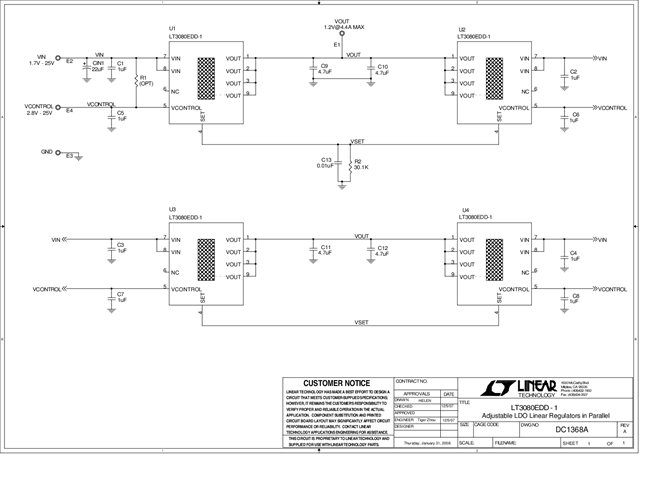
Demonstration circuit 1368A exercises four adjustable linear regulators in parallel using the LT3080-1, which incorporates an internal ballast resistor. The ballast resistor allows direct paralleling of devices without the need for PC board resistors or sensor resistors.The paralleled devices provide up to 4.4A of output current at 1.2V.
Architected as a precision current source and voltage follower, the LT3080-1 can be used in many applications requiring high current, adjustability to zero output, and no heat sink. The device brings out the collector of the pass transistor to allow low dropout operation when used with multiple supplies. The LT3080-1's output voltage can be programmed to any level between 0V and 36V; however the demo board has a reduced input voltage range from 1.7V to 25V due to the input capacitor voltage rating.
関連資料
-
DC1368A - Schematic2009/09/24PDF28K
-
DC1368A - Demo Manual2009/09/24PDF325K
-
DC1368A - Design File2009/09/24ZIP595K
