製品概要
製品概要
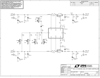
Demonstration circuit 1356A is a dual Hot Swap circuit featuring the LTC1645 dual-channel hot swap controller/power sequencer.
対象となる製品
関連資料
-
DC1356A - Schematic2016/11/23PDF34K
-
DC1356A - Demo Manual2016/11/23PDF242K
-
DC1356A - Design Files2016/11/23ZIP2M
