製品概要
製品概要
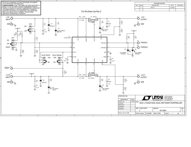
DC1355A: Demo Board for the LTC4221 Dual Hot Swap Controller/Power Sequencer with Dual Speed, Dual Level Fault Protection
対象となる製品
関連資料
-
Hot Swap Controllers2023/08/02PDF0 M
-
DC1355A - Schematic2009/09/24PDF29K
-
DC1355A - Demo Manual2009/09/24PDF228K
-
DC1355A - Design File2009/09/24ZIP2M
