製品概要
製品概要
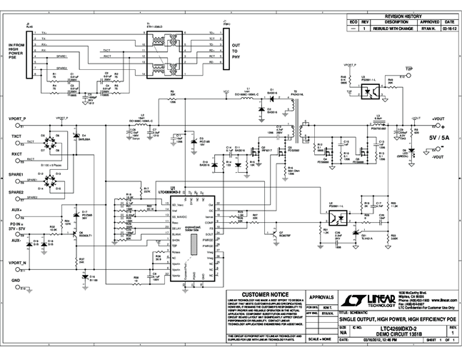
DC1351B: Demo Board for the LTC4269-2 IEEE 802.3at High Power PD and Synchronous Forward Controller with AUX Support
対象となる製品
関連資料
-
DC1351B - Schematic2013/03/14PDF48K
-
DC1351B - Demo Manual2013/01/23PDF1M
-
DC1351B - Design Files2013/01/23ZIP1M





