製品概要
製品概要
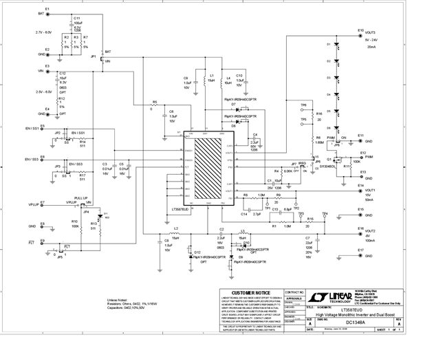
DC1348A: Demo Board for the LT3587 High Voltage Monolithic Inverter and Dual Boost
対象となる製品
関連資料
-
DC1348A - Schematic2009/09/24PDF85K
-
DC1348A - Demo Manual2009/09/24PDF1M
-
DC1348A - Design File2009/09/24ZIP815K
