製品概要
製品概要
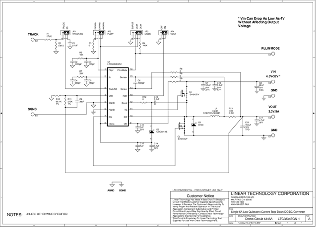
Demonstration circuit 1346A is a low quiescent current synchronous step-down DC/DC controller featuring the LTC3834-1 in a 16-pin narrow SSOP package. The DC1346A is generates a regulated 3.3V@5A output from a 4.5V to 32V input voltage.
対象となる製品
関連資料
-
DC1346A - Schematic2009/09/24PDF27K
-
DC1346A - Demo Manual2009/09/24PDF517K
-
DC1346A - Design File2009/09/24ZIP0M
