製品概要
製品概要
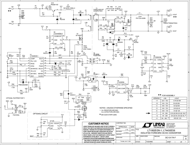
DC1317A-F: Demo Board for LT1952 Single Switch Synchronous Forward Controller.
対象となる製品
関連資料
-
DC1317A-F - Schematic2010/08/02PDF50K
-
DC1317A-F Demo Manual2009/10/21PDF944K
-
DC1317A-F - Design Files2009/10/21ZIP1M
