製品概要
製品概要
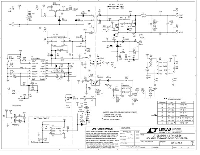
DC1317A-E: Demo Board for LT1952 Single Switch Synchronous Forward Controller.
対象となる製品
関連資料
-
DC1317A-E - Schematic2010/08/02PDF54K
-
DC1317A-E - Demo Manual2013/10/18PDF1M
-
DC1317A-E - Design File2013/01/09ZIP1M
