製品概要
製品概要
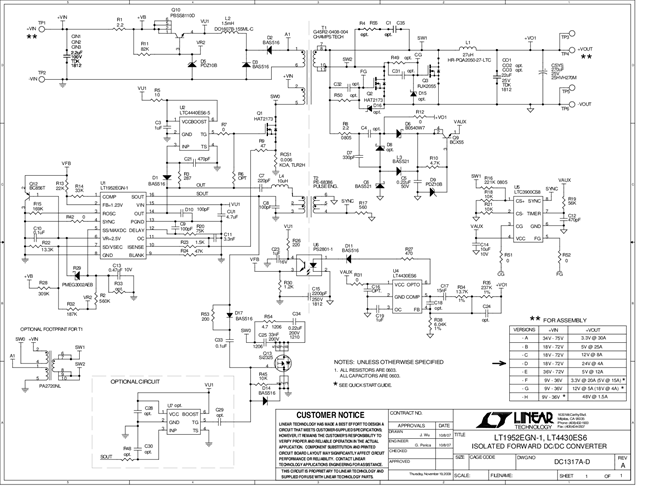
DC1317A-D: Demo Board for LT1952 Single Switch Synchronous Forward Controller.
対象となる製品
関連資料
-
DC1317A-D - Schematic2010/08/02PDF50K
-
DC1317A-D - Demo Manual2009/12/07PDF1M
-
DC1317A-D - Design Files2009/12/07ZIP2M
